Червячные мотор-редукторы одноступенчатые МЧ100, МЧ125, МЧ160

Червячные мотор-редукторы МЧ-100, МЧ-125, МЧ-160 в Ростове-на-Дону | Производство и продажа
Червячные мотор-редукторы МЧ-100, МЧ-125, МЧ-160 предназначены для работы в качестве приводов общемашиностроительного применения. Ряд мотор-редукторов МЧ обеспечивает крутящие моменты на тихоходном валу 85—2000 Н-м в диапазоне передаточных чисел 8—80. Мотор-редукторы допускают кратковременные перегрузки, в 2 раза превышающие номинальные и возникающие во время пусков и остановок двигателя. Корпус редуктора типа Ч имеет оребрения, улучшающие теплоотвод. Геометрические параметры зацепления цилиндрической червячной пары с эвольвентным червяком приняты по ГОСТ 2144—76. Мотор-редукторы могут работать при шести различных расположениях червячной пары в пространстве. В зависимости от взаимного расположения выходных концов валов редукторы изготовляются по вариантам сборки 51, 52, 53 и 56 в соответствии с ГОСТ 20373—74. В зависимости от варианта сборки редуктора тихоходный вал может быть одноконцевым, двухконцевым или полым.
Цена: от 15 500 руб.
Базовые условия использования мотор-редукторов:
- Тип нагрузки: постоянная/переменная (в рамках номинального крутящего момента)
- Особенности вращения вала: в обе стороны
- Климатические варианты исполнения: У3, Т2 (ГОСТ 15150-69) работа на высоте над уровнем моря не более 1000м, допускается эксплуатация также на высоте более 1000м над уровнем моря при условии соблюдения ГОСТ 183-74;
- Характеристики внешней среды: неагрессивная, невзрывоопасная, непроводящая пыль не более 10 мг/м³.
Общее описание:

Рис.1 Габаритные и присоединительные размеры МЧ100, МЧ125, МЧ160

Рис.1Б Габаритные и присоединительные размеры МЧ100, МЧ125, МЧ160
<
|
ТИПОРАЗМЕР |
H2 |
H3 |
H4 |
L1 |
L2 |
В1 |
В2 |
В3 |
В4 |
d |
|---|---|---|---|---|---|---|---|---|---|---|
|
МЧ-100 |
312 |
100 |
100 |
240 |
200 |
140 |
175 |
357 |
225 |
19 |
|
МЧ-125 |
396 |
111 |
125 |
275 |
230 |
190 |
230 |
390 |
230 |
19 |
|
МЧ-160 |
465 |
140 |
160 |
350 |
300 |
230 |
280 |
441 |
280 |
22 |
ТАБЛ.1А Габаритные и присоединительные размеры
<
|
ТИПОРАЗМЕР |
L3 |
H1 |
||||||
|---|---|---|---|---|---|---|---|---|
|
эл./дв. |
АИР90 |
АИР100 |
АИР112 |
АИР132 |
АИР90 |
АИР100 |
АИР112 |
АИР132 |
|
МЧ-100 |
585 |
600 |
- |
- |
337 |
337 |
- |
- |
|
МЧ-125 |
665 |
680 |
750 |
- |
410 |
410 |
435 |
- |
|
МЧ-160 |
- |
760 |
805 |
835 |
- |
465 |
475 |
500 |
ТАБЛ.1Б Габаритные и присоединительные размеры

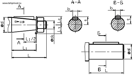
Рис. 2А Исполнения выходного вала

Рис.2Б Исполнения выходного вала
|
ТИП |
ВЫХДНЫЕ КОНЦЫ ВАЛОВ |
L |
L1 |
L2 |
L3 |
b |
d |
d1 |
t |
m |
|---|---|---|---|---|---|---|---|---|---|---|
|
МЧ-100 |
Конический |
110 |
82 |
32 |
25 |
12 |
45 |
М30х2- 8g |
23,45 |
- |
|
МЧ-125 |
110 |
82 |
38 |
30 |
14 |
55 |
М36х3 -8g |
28,95 |
- |
|
|
1МЧ-160 |
140 |
105 |
50 |
40 |
18 |
70 |
М48х3- 8g |
36,38 |
- |
|
|
МЧ-100 |
Цилиндрический |
110 |
- |
- |
- |
14 |
45 |
- |
48,5 |
- |
|
МЧ-125 |
110 |
- |
- |
- |
16 |
55 |
- |
59 |
- |
|
|
1МЧ-160 |
140 |
- |
- |
- |
20 |
70 |
- |
74,5 |
- |
|
|
МЧ-100 |
Вал полый шлицевой |
205 |
90 |
57,5 |
- |
- |
45 |
46 |
- |
2 |
|
МЧ-125 |
230 |
110 |
60 |
- |
- |
55 |
60 |
- |
2,5 |
|
|
МЧ-160 |
275 |
130 |
72,5 |
- |
- |
70 |
72 |
- |
2,5 |
ТАБЛ.2 Исполнения выходного вала

Рис.3 Варианты сборки мотор-редуктора
ТЕХНИЧЕСКИЕ ХАРАКТЕРИСТИКИ МОТОР-РЕДУКТОРА
|
Номинальная частота вращения выходного вала об/мин |
Допускаемая радиальная консольная нагрузка, приложенная к середине посадочной части конца выходного вала, Н |
Номинальный крутящий момент на выходном валу |
КПД, % в непрерывном режиме с ПВ 100%, не менее |
Типоразмер двигателя серии АИР |
Мощность двигателя, кВт |
Корректи-рованный уровень звуковой мощности, дБА, не более |
Масса мотор-редуктора кГ, не более |
|
|---|---|---|---|---|---|---|---|---|
|
Мотор-редуктор МЧ-100 |
||||||||
|
180 |
5500 |
270 |
93 |
112М4 |
5,5 |
80 |
100 |
|
|
140 |
350 |
93 |
112М4 |
5,5 |
100 |
|||
|
112 |
430 |
92 |
112М4 |
5,5 |
100 |
|||
|
90 |
380 |
89 |
100L4 |
4,0 |
90 |
|||
|
71 |
350 |
87 |
100S4 |
3,0 |
84 |
|||
|
56 |
440 |
87 |
100S4 |
3,0 |
84 |
|||
|
45 |
445 |
70 |
100S4 |
3,0 |
84 |
|||
|
35,5 |
460 |
78 |
90L4 |
2,2 |
77 |
|||
|
28 |
580 |
77 |
90L4 |
2,2 |
77 |
|||
|
22,4 |
472 |
69 |
90L6 |
1,5 |
77 |
|||
|
18 |
580 |
69 |
90L6 |
1,5 |
77 |
|||
|
14 |
625 |
61 |
90L6 |
1,5 |
77 |
|||
|
11,4 |
401 |
58 |
90LА8 |
0,75 |
77 |
|||
|
8,2 |
506 |
58 |
90LА8 |
0,75 |
77 |
|||
|
Мотор-редуктор МЧ-125 |
||||||||
|
180 |
8000 |
270 |
93 |
112М4 |
5,5 |
80 |
131 |
|
|
140 |
350 |
93 |
112М4 |
5,5 |
131 |
|||
|
112 |
430 |
92 |
112М4 |
5,5 |
131 |
|||
|
90 |
520 |
89 |
112М4 |
5,5 |
131 |
|||
|
71 |
650 |
88 |
112М4 |
5,5 |
131 |
|||
|
56 |
595 |
87 |
100L4 |
4,0 |
121 |
|||
|
45 |
690 |
81 |
100L4 |
4,0 |
121 |
|||
|
35,5 |
640 |
79 |
100S4 |
3,0 |
115 |
|||
|
28 |
580 |
77 |
90L4 |
2,2 |
108 |
|||
|
22,4 |
715 |
76 |
90L4 |
2,2 |
108 |
|||
|
18 |
805 |
69 |
90L4 |
2,2 |
108 |
|||
|
14 |
695 |
71 |
90L6 |
1,5 |
108 |
|||
|
11,4 |
766 |
68 |
90L6 |
1,5 |
108 |
|||
|
8,2 |
760 |
60 |
90LВ8 |
1,1 |
108 |
|||
|
Мотор-редуктор МЧ-160 |
||||||||
|
180 |
11000 |
550 |
94 |
132М4 |
11,0 |
80 |
204 |
|
|
140 |
700 |
93 |
132М4 |
11,0 |
204 |
|||
|
112 |
870 |
93 |
132М4 |
11,0 |
204 |
|||
|
90 |
1060 |
91 |
132М4 |
11,0 |
204 |
|||
|
71 |
1300 |
88 |
132М4 |
11,0 |
204 |
|||
|
56 |
1630 |
87 |
132М4 |
11,0 |
204 |
|||
|
45 |
1935 |
83 |
132М4 |
11,0 |
204 |
|||
|
35,5 |
1615 |
79 |
132S4 |
7,5 |
204 |
|||
|
28 |
1916 |
73 |
132S4 |
7,5 |
190 |
|||
|
22,4 |
1663 |
74 |
112М4 |
5,5 |
163 |
|||
|
18 |
2069 |
74 |
112М4 |
5,5 |
163 |
|||
|
14 |
1880 |
70 |
112МВ6 |
4,0 |
163 |
|||
|
11,4 |
1763 |
66 |
112МА6 |
3,0 |
160 |
|||
|
8,2 |
1638 |
66 |
112МА8 |
2,2 |
160 |
|||
ПРИМЕР УСЛОВНОГО ОБОЗНАЧЕНИЯ В ЗАКАЗЕ:
Мотор-редуктор МЧ–125–56–51-У3, ТУ УЗ.26-00224828-342-97 где:
МЧ – тип мотор-редуктора
125 – межосевое расстояние, мм
56 – номинальная частота вращения выходного вала, об/мин
51 – вариант сборки по ГОСТ 20373-80
У3 – климатическое исполнение и категория размещения по ГОСТ 15150-69