Цилиндро-червячные двухступенчатые мотор-редукторы PCRV 63/40, PCRV 63/50, PCRV 63/63, PCRV 71/50, PCRV 71/63, PCRV 71/75, PCRV 71/90, PCRV 80/75, PCRV 80/90, PCRV 80/110, PCRV 80/130, PCRV 90/110, PCRV 90/130

Цилиндро-червячные двухступенчатые мотор-редукторы серии PCRV | PCRV 63/40, PCRV 63/50, PCRV 63/63, PCRV 71/50, PCRV 71/63, PCRV 71/75, PCRV 71/90, PCRV 80/75, PCRV 80/90, PCRV 80/110, PCRV 80/130, PCRV 90/110, PCRV 90/130 в Ростове-на-Дону
Цилиндро-червячные двухступенчатые мотор-редукторы серии PCRV предназначены для эксплуатации в различных сферах промышленности. Комплектуются электродвигателями мощностью от 0,12 до 1,5 квт кВт с крутящим моментом от 68 до 2150 Нм. Широкий диапазон передаточных чисел от 15:1 до 317:1 позволяет получить обороты на выходе от 3 до 180 об/мин. Потребителю доступны следующие модели: PCRV 63/40 - PCRV 63/50 - PCRV 63/63 - PCRV 71/50 - PCRV 71/63 - PCRV 71/75 - PCRV 71/90 - PCRV 80/75 - PCRV 80/90 - PCRV 80/110 - PCRV 80/130 - PCRV 90/110 - PCRV 90/130.
Цена: от 3 880 руб.
- Модель: PCRV
- Размер: 63/40 - 63/50 - 63/63 - 71/50 - 71/63 - 71/75 - 71/90 - 80/75 - 80/90 - 80/110 - 80/130 - 90/110 - 90/130
- Передаточное число: "i" = 75:1 - 317:1
- Мощность: 0,12 - 1,5 квт
- Крутящий момент: 68 - 2150 Нм
Схема типового обозначения
|
тип |
типоразмер |
передаточное число |
исполнение |
электро-двигатель |
|||
|---|---|---|---|---|---|---|---|
|
двухсторонний входной вал |
цилиндрический выходной вал |
выходной фланец |
реактивная штанга |
||||
|
NMRV |
030 - 130 |
5 - 3200 |
E |
SS - односторонний |
FL |
A |
мощность и обороты электро-двигателя |
|
NRV |
|||||||
|
PCRV |
DS - двухсторонний |
||||||
|
DRV |
|||||||
Пример типового обозначения
PCRV - 071/075 - 158,5 - 8,8 - 0,25 - FL1 - B3
PCRV - двухступенчатый цилиндро-червячный мотор-редуктор
071/075 - типоразмер цилиндрической ступени 71, червячного редуктора 075
158,5 - передаточное число
8,8 - частота вращения выходного вала (об/мин)
0,25 - мощность электродвигателя
FL1 - исполнение с фланцем
B3 - монтажная позиция
Размеры фланцев цилиндрической ступени

|
PC |
i |
P2 |
P1 |
|---|---|---|---|
|
63 |
3 |
63B14/71B14 |
63B5 |
|
71 |
3.17 |
71B14/80B14 |
71B5 |
|
80 |
3 |
80B14/100B14 |
80B5 |
|
90 |
2.43 |
80B14/100B14 |
90B5 |
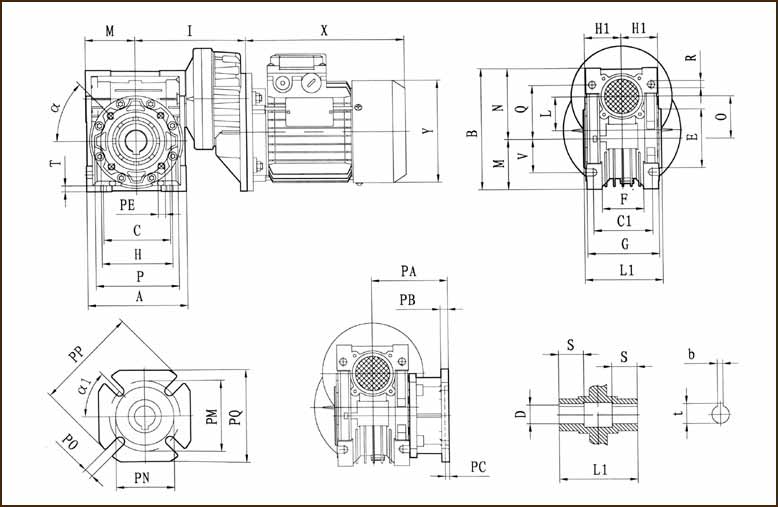
Габаритные и присоединительные размеры PCRV

|
PCRV |
A |
В |
С |
C1 |
D(H7) |
E(h8) |
F |
G |
H |
H1 |
I |
L |
L1 |
M |
N |
0 |
P |
Q |
R |
|---|---|---|---|---|---|---|---|---|---|---|---|---|---|---|---|---|---|---|---|
|
063/040 |
100 |
121.5 |
70 |
60 |
18(19) |
60 |
43 |
71 |
75 |
36.5 |
123 |
40 |
78 |
50 |
71.5 |
40 |
87 |
55 |
6.5 |
|
063/050 |
120 |
144 |
80 |
70 |
25(24) |
70 |
49 |
85 |
85 |
43.5 |
133 |
40 |
92 |
60 |
84 |
50 |
100 |
64 |
8.5 |
|
071/050 |
120 |
144 |
80 |
70 |
25(24) |
70 |
49 |
85 |
85 |
43.5 |
143 |
50 |
92 |
60 |
84 |
50 |
100 |
64 |
8.5 |
|
063/063 |
144 |
174 |
100 |
85 |
25(28) |
80 |
67 |
103 |
95 |
53 |
148 |
40 |
112 |
72 |
102 |
63 |
110 |
80 |
8.5 |
|
071/063 |
144 |
174 |
100 |
85 |
25(28) |
80 |
67 |
103 |
95 |
53 |
158 |
50 |
112 |
72 |
102 |
63 |
110 |
80 |
8.5 |
|
071/075 |
172 |
205 |
120 |
90 |
28(35) |
95 |
72 |
112 |
115 |
57 |
176 |
50 |
120 |
86 |
119 |
75 |
140 |
93 |
11 |
|
080/075 |
172 |
205 |
120 |
90 |
28(35) |
95 |
72 |
112 |
115 |
57 |
186 |
63 |
120 |
86 |
119 |
75 |
140 |
93 |
11 |
|
071/090 |
206 |
238 |
140 |
100 |
35(38) |
110 |
74 |
130 |
130 |
67 |
193 |
50 |
140 |
103 |
135 |
90 |
160 |
102 |
13 |
|
080/090 |
206 |
238 |
140 |
100 |
35(38) |
110 |
74 |
130 |
130 |
67 |
203 |
63 |
140 |
103 |
135 |
90 |
160 |
102 |
13 |
|
080(090)/110 |
252.5 |
295 |
170 |
115 |
42 |
130 |
- |
144 |
165 |
74 |
233 |
63 |
155 |
127.5 |
167.5 |
110 |
200 |
125 |
14 |
|
080(090)/130 |
292.5 |
335 |
200 |
120 |
45 |
180 |
- |
155 |
215 |
81 |
253 |
63 |
170 |
147.5 |
187.5 |
130 |
250 |
140 |
16 |
|
PCRV |
S |
T |
V |
PA |
PB |
PC |
РЕ |
PM |
PN |
PO |
PP |
PQ |
b |
t |
? |
?1 |
kg |
|---|---|---|---|---|---|---|---|---|---|---|---|---|---|---|---|---|---|
|
063/040 |
26 |
6.5 |
35 |
67 |
7 |
4 |
M6x8(n=4) |
75 |
60 |
9(n=4) |
110 |
95 |
6(6) |
20.8(21.8) |
45° |
45° |
3.9 |
|
063/050 |
30 |
7 |
40 |
90 |
9 |
5 |
M8x10(n=4) |
85 |
70 |
11(n=4) |
125 |
110 |
8(8) |
28.3(27.3) |
45° |
45° |
5.2 |
|
071/050 |
30 |
7 |
40 |
90 |
9 |
5 |
M8x10(n=4) |
85 |
70 |
11(n=4) |
125 |
110 |
8(8) |
28.3(27.3) |
45° |
45° |
5.8 |
|
063/063 |
36 |
8 |
50 |
82 |
10 |
6 |
M8x14(n=8) |
150 |
115 |
11(n=4) |
180 |
142 |
8(8) |
28.3(31.3) |
45° |
45° |
7.9 |
|
071/063 |
36 |
8 |
50 |
82 |
10 |
6 |
M8x14(n=8) |
150 |
115 |
11(n=4) |
180 |
142 |
8(8) |
28.3(31.3) |
45° |
45° |
8.5 |
|
071/075 |
40 |
10 |
60 |
111 |
13 |
6 |
M8x14(n=8) |
165 |
130 |
14(n=4) |
200 |
170 |
8(10) |
31.3(38.3) |
45° |
45° |
11.3 |
|
080/075 |
40 |
10 |
60 |
111 |
13 |
6 |
M8x14(n=8) |
165 |
130 |
14(n=4) |
200 |
170 |
8(10) |
31.3(38.3) |
45° |
45° |
13.1 |
|
071/090 |
45 |
11 |
70 |
111 |
13 |
6 |
M10x18(n=8) |
175 |
152 |
14(n=4) |
210 |
200 |
10(10) |
38.3(41.3) |
45° |
45° |
15.3 |
|
080/090 |
45 |
11 |
70 |
111 |
13 |
6 |
M10x18(n=8) |
175 |
152 |
14(n=4) |
210 |
200 |
10(10) |
38.3(41.3) |
45° |
45° |
17.2 |
|
080(090)/110 |
50 |
14 |
85 |
131 |
15 |
6 |
M10x18(n=8) |
230 |
170 |
14(n=8) |
280 |
260 |
12 |
45.3 |
45° |
45° |
39 |
|
080(090)/130 |
60 |
15 |
100 |
140 |
15 |
6 |
M12x21(n=8) |
255 |
180 |
16(n=8) |
320 |
290 |
14 |
48.8 |
45° |
22.5° |
52.2 |
Объём заливаемого масла в червячный редуктор PCRV
|
RV |
030 |
040 |
050 |
063 |
075 |
090 |
110 |
130 |
150 |
|---|---|---|---|---|---|---|---|---|---|
|
B3 |
0.042 |
0.081 |
0.153 |
0.3 |
0.58 |
1.02 |
3.02 |
4.55 |
7 |
|
B8 |
2.25 |
3.35 |
5.1 |
||||||
|
B6,B7 |
2.55 |
3.55 |
5.4 |
||||||
|
V5,V6 |
3.02 |
4.55 |
7 |
Объём заливаемого масла в цилиндрическую ступень (л)
|
PC063 |
PC071 |
PC080 |
PC090 |
|---|---|---|---|
|
0.18 |
0.28 |
0.31 |
0.31 |