Редуктор червячный одноступенчатый 1Ч-160

Редуктор червячный одноступенчатый 1Ч-160 купить в Ростове-на-Дону
Существует широкий перечень преимуществ, которыми наделен редуктор червячный, купить его можно по доступной цене, что также относится к достоинствам этого устройства. Редуктор 1ч-160 общепромышленного назначения может быть установлен на вал машины, механизма, оборудования, которое будет приведено в движение. Данное условие достижимо в том случае, если вал выполнен в соответствии с заданными параметрами полой шлицевой втулки. Соединение будет свободным, что исключает риск перекоса втулки относительно приводимого в движение шлицевого вала механизма. Также при этом снижается общая масса редуктора и падает стоимость привода по причине того, что отпадает необходимость наличия на выходе муфты. Особенности смазки червячного зацепления - картерная непроточная.
Цена: от 21 500 руб.
- Номинальные передаточные значения — 8; 10; 12.5; 16; 20; 25; 31.5; 40; 50; 63; 80;
- Показатели/частота вращения вала — 1500об/мин;
- Номинальный крутящий момент (min/max) — 1480… 2460 H•м;
- Габаритные размеры LxBxH — 505ммх420ммх465мм;
- Масса редуктора — 120кг
Базовые условия использования редукторов:
- Характер и особенности нагрузки: постоянная/переменная, одного направления/реверсивная;
- Режимы эксплуатации: постоянная работа/с периодическими остановами;
- Вращение валов: в оба направления;
- Температурные показания среды: от -40°С до +50°С;
- Характер среды использования: неагрессивная, невзрывоопасная.
Общее описание:

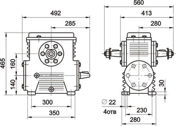
РИС 1. Исполнение редуктора с верхней крышкой

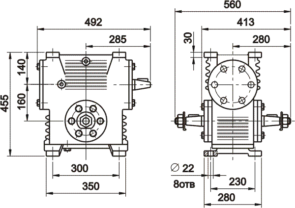
РИС 2. Исполнение редуктора с крышкой-лапой

РИС 3-А.

РИС 3-Б.
Исполнение валов. (3-А — входной вал; 3-Б — выходной вал.)
Технические характеристики червячного редуктора 1Ч-160
| Передаточное число номинальное | 8 | 10 | 12,5 | 16 | 20 | 25 | 31,5 | 40 | 50 | 63 | 80 | |
|---|---|---|---|---|---|---|---|---|---|---|---|---|
| Частота вращения вх.вала, об/мин. | 1500 | |||||||||||
| Номинальный крутящий момент на вых.валу, Н•м | 1860 | 1760 | 1670 | 2190 | 1860 | 1860 | 2460 | 2080 | 1860 | 1760 | 1480 | |
| Подводимая расчётная мощность, кВт. | 37,1 | 28,3 | 21,8 | 22,5 | 15,7 | 12,9 | 14,1 | 9,7 | 7,3 | 5,7 | 3,9 | |
| КПД, % | 94 | 93 | 92 | 91 | 89 | 86 | 83 | 80 | 76 | 73 | 71 | |
| Допускаемая радиальная нагрузка, Н | вх.вал | 1200 | ||||||||||
| вых.вал | 12150 | |||||||||||
| Корригированный уровень зв.мощности, ДБА | 94 | |||||||||||
| Масса, кг не более | 120 | |||||||||||
| Номинальный крутящий момент на выходном валу дан при повторно-кратковременном режиме при ПВ 40% | ||||||||||||

РИС 4-А.

РИС 4-Б.
Варианты компоновки редуктора (4-А, 4-Б)
Пример условного обозначения редуктора в заказе:
Редуктор 1Ч-160-32-51-11-У2 или 1Ч-160-32-51-22-У2, где:
- 1Ч — типоразмер редуктора
- 160 — межосевое расстояние, мм.
- 32 — передаточное число
- 51 — вариант сборки
- 11 — вариант исполнения с верхней крышкой; 22 — вариант исполнения с крышкой-лапой
- У — климатическое исполнение
- 2 — вариант размещения