Редуктор червячный одноступенчатый 4Ч-80

Редуктор червячный одноступенчатый 4Ч-80 в Ростове-на-Дону | Устройство, характеристики, принцип работы, цена
Редуктор червячный ч 80, 4Ч-80 служит для преобразования показателей крутящего момента, успешно используется при конструировании практически всех видов и типов механизмов, машин и оборудования. Вращение валов редуктора осуществляется в обе стороны, при этом его эффективность не снижается. Оборудование оптимизировано для беспроблемной работы в 4-х видах атмосферных условий и характеризуется продолжительным сроком эксплуатации даже при тяжелых условиях процесса. Исчерпывающая информация о червячном редукторе содержится в прилагающейся к механизму документации, при возникновении вопросов всегда можно связаться с менеджерами компании.
Цена: от 6 930 руб.
Базовые условия использования редукторов:
- Тип нагрузки: постоянная/переменная, одного направления/реверсивная;
- Режимы использования редуктора: с остановками/длительная работа до 24 ч. в сутки;
- Вал вращается в оба направления с частотой < 1500 об/мин.;
- Атмосфера I/II (ГОСТ 15150—93), запыленность окружающего воздуха <10мг/м.куб, климатическое исполнение: У, Т для категорий 1-3, а также климат. исполнение УХЛ /О - категории 4 (ГОСТ 15150—93).
Общее описание:

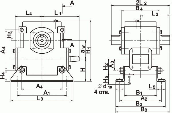
РИС 1. Габаритные и присоединительные размеры

РИС 2. Входной/выходной вал
| Типоразмер редуктора | aw | A1 | A2 | A3 | A4 | B1 | B2 | B3 | B4 | H | H1 | H2 | H3 | H4 | H5 | L1 |
|---|---|---|---|---|---|---|---|---|---|---|---|---|---|---|---|---|
| 4Ч-80 | 80 | 225 | 185 | 50 | 180 | 140 | 212 | 250 | 165 | 92 | 267 | 75 | 50 | 42 | 190 | 160 |
| Типоразмер редуктора | L2 | L3 | L4 | L5 | b1 | b2 | d1 | d2 | d3 | d4 | d5 | d6 | d7 | d8 | d9 | d10 |
|---|---|---|---|---|---|---|---|---|---|---|---|---|---|---|---|---|
| 4Ч-80 | 145 | 260 | 120 | 36 | 5 | 10 | 25 | 35 | 22.9 | M8 | M8 | 12.5 | 18 | 41 | 90 | 15 |
| Типоразмер редуктора | h1 | h2 | l1 | l2 | l3 | l4 | l5 | l6 | l7 | l8 | t1 | t2 | эвольвентные шлицы ГОСТ 6033-80 | объем масла, л | масса, кг |
|---|---|---|---|---|---|---|---|---|---|---|---|---|---|---|---|
| 4Ч-80 | 5 | 8 | 42 | 58 | 20 | 20 | 8 | 64 | 26 | 116 | 3 | 30 | 40 х1,5х8Н | 0.5…1.0 | 18.6 |
ТАБЛ 1. Габаритные и присоединительные размеры

РИС 3. Варианты сборки редукторов

РИС 4. Варианты расположения червячной пары

РИС 5. Варианты расположения лап по плоскости
Технические характеристики червячного редуктора 4Ч-80
| Межосевое расстояние, мм | 80 | |||||||||||
|---|---|---|---|---|---|---|---|---|---|---|---|---|
| Номинальная частота вращения входного вала, об/мин | 1500 | |||||||||||
| Передаточное число номинальное | 8,0 | 10,0 | 12,5 | 16,0 | 20,0 | 25,0 | 31,5 | 40,0 | 50,0 | 63,0 | 80,0 | |
| Номинальный крутящий момент на выходном валу при основном повторно-кратковременном режиме с продолжительностью включения ПВ=40% , Н*м. | 250 | 224 | 250 | 224 | ||||||||
| Номинальный крутящий момент на выходном ном валу в непрерывном режиме включения ПВ=100% Н*м. | 180 | 160 | 180 | 200 | 180 | 160 | ||||||
| КПД в непрерывном режиме с ПВ=100%, не менее | 87 | 86 | 85 | 82 | 78 | 76 | 70 | 64 | 62 | 55 | 51 | |
| Допускаемая радиальная консольная нагрузка, приложенная в середине посадочной части входного вала, Н, в режиме с ПВ | 40% | 500 | ||||||||||
| 100% | 450 | |||||||||||
| Допускаемая радиальная консольная нагрузка, приложенная в середине посадочной части входного вала, Н, в режиме с ПВ | 40% | 4000 | ||||||||||
| 100% | 3800 | |||||||||||
| Корректированный уровень звуковой мощности, дБА, не более | 83 | |||||||||||
| Масса, кг, не более | 15,0 | |||||||||||
Пример условного обозначения при заказе
Редуктор 4Ч-80А-31, 5-51-1110 У2 ТУ У3.26-00224828-338-96, где:
- 4 - порядковый номер модернизации конструкции редуктора;
- Ч - тип редуктора - червячный одноступенчатый;
- 80 - межосевое расстояние, мм;
- А - отличительный индекс;
- 31,5 - передаточное число;
- 51- вариант сборки по ГОСТ 26373-94;
- 1110 — конструктивное исполнение по способу монтажа по ГОСТу 30164-94;
- У2 - климатическое исполнение и категория по ГОСТ 15150.