Редукторы цилиндрические одноступенчатые 1ЦУ-100, 1ЦУ-160, 1ЦУ-200, 1ЦУ-250

Редукторы 1ЦУ-100, 1ЦУ-160, 1ЦУ-200, 1ЦУ-250 купить по низкой цене в Ростове-на-Дону. Большой ассортимент.
Одноступенчатый редуктор цилиндрический узкий горизонтальный общемашиностроительного применения типов 1ЦУ-100, 1ЦУ-160, 1ЦУ-200, 1ЦУ-250 предназначен для увеличения крутящего момента и уменьшения частоты вращения. Перед отправкой оборудования заказчику, покупателю, каждая единица партии проходит строгий выходной контроль, по результатам которого одноступенчатые редукторы, имеющие даже незначительные отклонения от производственных норм и стандартов, отправляются на доработку. Кроме высокого качества оборудования, заказчик может рассчитывать на объективный уровень цен, которые формируются, исходя из тщательно разработанной и проанализированной ценовой политики производителя.
Цена: от 19 840 руб.
Условия применения одноступенчатых цилиндрических редукторов:
- нагрузка постоянная и переменная, одного направления и реверсивная;
- работа постоянная или с периодическими остановками;
- вращение валов в любую сторону
- частота вращения входного вала не должна превышать 1800 об/мин;
- атмосфера типов I и II по ГОСТ 15150-69 при запыленности воздуха не более 10 мг/м3;
- климатические исполнения У, Т ( для категории размещения 1...3 ) и климатические исполнения УХЛ и О ( для категорий размещения 4 ) по ГОСТ 15150-69.
Общее описание:


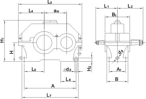
РИС 1. Габаритные и присоединительные размеры ЦУ100 - ЦУ250
| Типоразмер редуктора | аw | А | A1 | В | B1 | H | H1 | H2 | L1 | L2 | L3 | L4 | L5 | L6 | |
|---|---|---|---|---|---|---|---|---|---|---|---|---|---|---|---|
| ЦУ-100 | 100 | 224 | 95 | 132 | 140 | 112 | 224 | 22 | 136 | 155 | 315 | 132 | 85 | 90 | |
| ЦУ-160 | 160 | 355 | 125 | 175 | 185 | 170 | 335 | 28 | 218 | 218 | 475 | 195 | 136 | 125 | |
| ЦУ-200 | 200 | 437 | 136 | 200 | 212 | 212 | 425 | 36 | 230 | 265 | 580 | 236 | 165 | 160 | |
| ЦУ-250 | 250 | 545 | 185 | 250 | 265 | 265 | 530 | 40 | 280 | 315 | 710 | 290 | 212 | 190 | |
| Типоразмер редуктора | L7 | b1 | b2 | d1 | d2 | d3 | d4 | d5 | d6 | d7 | d8 | h1 | h2 |
|---|---|---|---|---|---|---|---|---|---|---|---|---|---|
| ЦУ-100 | 265 | 8 | 10 | 25 | 35 | M16x1,5 | М20х1,5 | 15 | M24x1,5 | 40 | 45 | 7 | 8 |
| ЦУ-160 | 412 | 14 | 16 | 45 | 55 | М30х2,0 | МЗ6х3,0 | 24 | M24x1,5 | 63 | 75 | 9 | 10 |
| ЦУ-200 | 500 | 16 | 20 | 55 | 70 | М36х3,0 | М48х3,0 | 24 | M24x1,5 | 75 | 100 | 10 | 12 |
| ЦУ-250 | 615 | 20 | 25 | 70 | 90 | М48х3,0 | М64х4,0 | 28 | М24х1,5 | 100 | 130 | 12 | 14 |
ТАБЛ 1. Габаритные и присоединительные размеры ЦУ100 - ЦУ250

РИС 2. Варианты сборки редукторов типа 1ЦУ
| Типоразмер редуктора | l1 | l2 | l3 | l4 | t1 | t2 |
|---|---|---|---|---|---|---|
| ЦУ-100 | 42 | 58 | 60 | 80 | 4,0 | 5,0 |
| ЦУ-160 | 82 | 82 | 110 | 110 | 5,5 | 6,0 |
| ЦУ-200 | 82 | 105 | 110 | 140 | 6,0 | 7,5 |
| ЦУ-250 | 105 | 130 | 140 | 170 | 7,5 | 9,0 |
| Типоразмер редуктора | Номинальные передаточные числа | |||||
|---|---|---|---|---|---|---|
| 2 | 2,5 | 3,15 | 4 | 5 | 6,3 | |
| ЦУ-100 | Не лимитируется | |||||
| ЦУ-160 | ||||||
| ЦУ-200 | 80 | 74 | 68 | 60 | 54 | 47 |
| ЦУ-250 | 127 | 118 | 108 | 97 | 87 | 76 |
ТАБЛ 2. Термическая мощность, кВт.
Технические характеристики редукторов типа ЦУ100 - ЦУ250
| Типоразмер редуктора | Номинальный вращающий момент на выходном валу Мт , Н*м | Допускаемая радиальная нагрузка, Н | Объем заливаемого масла, л | Масса кг | |
|---|---|---|---|---|---|
| на входном валу Fвх | на выходном валу Fвых | ||||
| ЦУ-100 | 250 | 500 | 2000 | 1 | 27 |
| ЦУ-160 | 1000 | 1000 | 4000 | 2 | 75 |
| ЦУ-200 | 2000 | 2000 | 5600 | 4 | 135 |
| ЦУ-250 | 4000 | 3000 | 8000 | 7,5 | 250 |
Пример условного обозначения при заказе:
Редуктор 1ЦУ-160-4-12K У2:
Цилиндрический одноступенчатый редуктор с межосевым расстоянием тихоходной ступени 160 мм, номинальным передаточным числом 4, вариантом сборки 12, коническим концом тихоходного вала K, климатическим исполнением У и категорией размещения 2.