Цилиндрические редукторы зубчатые трехступенчатые ЦЗУ-160, ЦЗУ-200, ЦЗУ-250

Цилиндрические редукторы трехступенчатые ЦЗУ-160, ЦЗУ-200, ЦЗУ-250 в Ростове-на-Дону
Редуктор Ц3У зубчатый цилиндрический трехступенчатый узкий горизонтальный общего назначения служит для увеличения показателей крутящего момента и уменьшения значения частоты вращения. Используется данный тип оборудования в макроклиматических районах, характеризующихся умеренным климатом (тип исполнения - У), сухим/влажным тропическим климатом (тип исполнения - Т), категория размещения 1/2/3/4 (эксплуатация на открытом воздухе/под навесом, а также в условиях закрытых помещений и в помещениях, оснащенных системой регулирования климата). Техническое исполнение ЦЗУ редуктора аналогично 1ЦЗУ. Особенностями тихоходного вала является то, что его исполнение может быть коническим (стандартным), цилиндрическим (нюансы уточняются при заказе), иметь вид зубчатой муфты или полым шлицевым. Размеры этого вала аналогичны модификации 1Ц2У.
Цена: от 17 300 руб.
Базовые условия использования редукторов:
- Тип и характер нагрузки: постоянная/переменная, одно направление/реверсивная;
- Особенности режимов работы: длительная (до 24 часов/сут.), с периодическими остановами;
- Вращение вала: в обе стороны с частотой < 1800 об/мин.;
- Атмосфера: I и II (ГОСТ 15150 – 69), запыленность окружающего воздуха < 10 мг/куб.м.;
- Специфика климатических исполнений: У и Т, категории размещения 1...3; и модификация УХЛ и О для категории 4, модели редукторов 1Ц3У-160 - исполнение ХЛ категории 1...3 (ГОСТ 15150-69).
Общее описание:

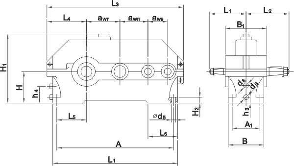
РИС 1. Габаритные и присоединительные размеры

РИС 2. Входной/выходной вал
| Параметр | Типоразмер редуктора | ||
|---|---|---|---|
| ЦЗУ-160 | ЦЗУ-200 | ЦЗУ-250 | |
| awБ | 160 | 200 | 250 |
| awП | 100 | 125 | 160 |
| awТ | 80 | 100 | 125 |
| А | 475 | 580 | 750 |
| А1 | 140 | 165 | 218 |
| В | 195 | 230 | 280 |
| B1 | 206 | 243 | 290 |
| Н | 170 | 212 | 265 |
| Н1 | 345 | 425 | 530 |
| Н2 | 28 | 36 | 40 |
| L1 | 160 | 190 | 236 |
| L2 | 224 | 280 | 335 |
| L3 | 630 | 775 | 950 |
| L4 | 195 | 236 | 290 |
| L5 | 136 | 165 | 212 |
| L6 | 145 | 185 | 230 |
| L7 | 530 | 650 | 825 |
| b1 | 4 | 5 | 5 |
| b2 | 14 | 18 | 22 |
| d1 | 20 | 25 | 30 |
| d2 | 55 | 70 | 90 |
| d3 | М12х1.25 | M16xl,5 | M20xl,5 |
| d4 | МЗ6xЗ | М48х3 | М64х4 |
| d5 | 24 | 24 | 8 |
| d6 | М24 | М24 | М24 |
| d7 | 40 | 45 | 50 |
| d8 | 88 | 100 | 130 |
| h1 | 4 | 5 | 5 |
| h2 | 9 | 11 | 14 |
| h3 | 32 | 32 | 32 |
| h4 | 110 | 125 | 160 |
| l1 | 36 | 42 | 58 |
| l2 | 82 | 105 | 130 |
| l3 | 50 | 60 | 80 |
| l4 | 110 | 140 | 170 |
| t1 | 2,5 | 3,0 | 3,0 |
| t2 | 5,5 | 7,0 | 9,0 |
| Объем заливаемого масла, л | 6,2 | 12,0 | 18,4 |
| Масса, кг | 160 | 186 | 335 |
ТАБЛ 1. Габаритные и присоединительные размеры

РИС2. Варианты сборки редукторов типа Ц3У
Технические характеристики цилиндрических редукторов ЦЗУ
| Параметр | Типоразмер редуктора | ||
|---|---|---|---|
| ЦЗУ-160 | ЦЗУ-200 | ЦЗУ-250 | |
| Номинальные передаточные числа | 31,5; 40; 45; 50; 56; 63; 80; 100; 125; 160; 200 | 16; 20; 25; 31,5; 40; 45; 50; 56; 63; 80; 100; 125; 160; 200 | |
| Номинальный вращающий момент на выходном валу Н*м | 1250 | 2500 | 5000 |
| Номинальная радиальная сила, Н: | |||
| на входном валу | 500 | 1000 | 2000 |
| на выходном валу | 8000 | 11200 | 16000 |
| Объем заливаемого масла, л | 6,2 | 12,0 | 18,4 |
| Масса, кг | 106 | 186 | 335 |
Пример условного обозначения при заказе
Редуктор 1Ц3У-200-160-12K У2, где:
Цилиндрический трехступенчатый редуктор с межосевым расстоянием тихоходной ступени 200 мм, номинальным передаточным числом 160, вариантом сборки 12, коническим концом тихоходного вала K, климатическим исполнением У и категорией размещения 2.